美標、日標止回閥
產品結構特點
止回閥是一種“自動”閥門,順流打開,逆流關閉。靠系統中介質的壓力打開閥門,當介質倒流時關閉閥門。操作因人而異。止回閥機構的類型。 最常見的止回閥類型有旋啟式、升降式(旋塞式和球式)、蝶式、止回式、傾盤式。產品廣泛應用于石油、化工、制藥、化肥、電力、城建等行業管道系統。
止回閥可分為升降式止回閥、旋啟式止回閥和蝶式止回閥三種。升降式止回閥可分為立式和直通式兩種。旋啟式止回閥又分為單式、雙式和多式。閥門類型三、蝶形止回閥可分為蝶形雙瓣、蝶形單瓣,以上幾種止回閥按連接形式可分為螺紋連接、法蘭連接、焊接和卡箍連接四種
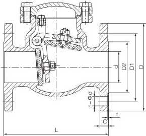
產品結構
主要尺寸及重量
Class 150
|
SIZE |
D |
D |
D1 |
D2 |
T |
C |
N-ΦB |
L |
|
DN15 |
18 |
90 |
60.3 |
34.9 |
1.6 |
10 |
4-Φ16 |
108 |
|
DN20 |
20 |
100 |
69.9 |
42.9 |
1.6 |
11 |
4-Φ16 |
117 |
|
DN25 |
25 |
110 |
79.4 |
50.8 |
1.6 |
12 |
4-Φ16 |
127 |
|
DN32 |
32 |
115 |
88.9 |
63.5 |
1.6 |
13 |
4-Φ16 |
140 |
|
DN40 |
38 |
125 |
98.4 |
73 |
1.6 |
15 |
4-Φ16 |
165 |
|
DN50 |
50 |
150 |
120.7 |
92.1 |
1.6 |
16 |
4-Φ19 |
203 |
|
DN65 |
64 |
180 |
139.7 |
104.8 |
1.6 |
18 |
4-Φ19 |
216 |
|
DN80 |
76 |
190 |
152.4 |
127 |
1.6 |
19 |
4-Φ19 |
241 |
|
DN100 |
100 |
230 |
190.5 |
157.2 |
1.6 |
24 |
8-Φ19 |
292 |
|
DN125 |
125 |
255 |
215.9 |
185.7 |
1.6 |
24 |
8-Φ22 |
330 |
|
DN150 |
150 |
280 |
241.3 |
215.9 |
1.6 |
26 |
8-Φ22 |
356 |
|
DN200 |
200 |
345 |
298.5 |
269.9 |
1.6 |
29 |
8-Φ22 |
495 |
|
DN250 |
250 |
405 |
362 |
323.8 |
1.6 |
31 |
12-Φ25 |
622 |
|
DN300 |
300 |
485 |
431.8 |
381 |
1.6 |
32 |
12-Φ25 |
698 |
10k
|
SIZE |
D |
D |
D1 |
D2 |
T |
C | N-ΦB |
L |
|
DN15 |
15 |
95 |
70 |
52 |
1 |
12 |
4-Φ15 |
108 |
|
DN20 |
20 |
100 |
75 |
58 |
1 |
14 |
4-Φ15 |
117 |
|
DN25 |
25 |
125 |
90 |
70 |
1 |
14 |
4-Φ19 |
127 |
|
DN32 |
32 |
135 |
100 |
80 |
2 |
16 |
4-Φ19 |
140 |
|
DN40 |
38 |
140 |
105 |
85 |
2 |
16 |
4-Φ19 |
165 |
|
DN50 |
50 |
155 |
120 |
100 |
2 |
16 |
4-Φ19 |
203 |
|
DN65 |
64 |
175 |
140 |
120 |
2 |
18 |
4-Φ19 |
216 |
|
DN80 |
76 |
185 |
150 |
130 |
2 |
18 |
8-Φ19 |
241 |
|
DN100 |
100 |
210 |
175 |
155 |
2 |
18 |
8-Φ19 |
292 |
|
DN125 |
125 |
250 |
210 |
185 |
2 |
20 |
8-Φ23 |
330 |
|
DN150 |
150 |
280 |
240 |
215 |
2 |
22 |
8-Φ23 |
356 |
|
DN200 |
200 |
330 |
290 |
265 |
2 |
22 |
12-Φ23 |
495 |
|
DN250 |
250 |
400 |
355 |
325 |
2 |
24 |
12-Φ25 |
622 |
|
DN300 |
300 |
445 |
400 |
370 |
2 |
24 |
16-Φ25 |
698 |
|
DN350 |
350 |
490 |
445 |
415 |
2 |
26 |
16-Φ25 |
787 |
|
DN400 |
500 |
560 |
510 |
475 |
2 |
28 |
16-Φ27 |
864 |












