國標、德標止回閥
產品結構
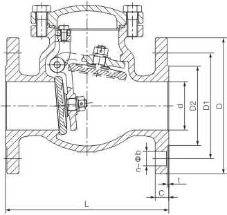
主要外形尺寸
GBPN16
|
DN |
L |
D |
D |
D1 |
D2 |
C |
F |
N-ΦB |
|
50 |
120 |
50 |
160 |
125 |
100 |
16 |
3 |
4-Φ18 |
|
65 |
130 |
63 |
180 |
145 |
120 |
18 |
3 |
4-Φ18 |
|
80 |
150 |
80 |
195 |
160 |
135 |
20 |
3 |
8-Φ18 |
|
100 |
165 |
100 |
215 |
180 |
155 |
20 |
3 |
8-Φ18 |
|
125 |
190 |
124 |
245 |
210 |
165 |
22 |
3 |
8-Φ18 |
|
150 |
210 |
148 |
285 |
240 |
212 |
22 |
2 |
8-Φ22 |
|
200 |
255 |
198 |
340 |
295 |
268 |
24 |
2 |
12-Φ22 |
|
250 |
310 |
240 |
405 |
355 |
320 |
26 |
2 |
12-Φ26 |
|
300 |
320 |
297 |
460 |
410 |
378 |
28 |
2 |
12-Φ26 |
ANSI150LB
|
SIZE |
L |
D |
D |
D1 |
D2 |
C |
F |
N-ΦB |
|
2″ |
?120 |
50 |
150 |
120.7 |
92.1 |
16.3 |
2 |
4-Φ19 |
|
2 1/2″ |
?130 |
63 |
180 |
139.7 |
104.8 |
17.9 |
2 |
4-Φ19 |
|
3″ |
?125 |
80 |
190 |
152.4 |
127 |
19.5 |
2 |
4-Φ19 |
|
4″ |
165 |
100 |
230 |
190.5 |
157.2 |
24.3 |
2 |
8-Φ19 |
|
5″ |
190 |
124 |
255 |
2159 |
1857 |
243 |
2 |
8-Φ22.5 |
|
6″ |
210 |
148 |
280 |
241.3 |
215.9 |
25.9 |
2 |
8-Φ22 |
|
8″ |
255 |
198 |
345 |
298.5 |
269.9 |
29.0 |
2 |
8-Φ22 |
|
10″ |
310 |
248 |
405 |
362 |
323.8 |
30.6 |
2 |
12-Φ25 |
|
12″ |
320 |
297 |
485 |
431.8 |
381 |
32.2 |
2 |
12-Φ25 |
JIS10k
|
SIZE |
L |
D |
D |
D1 |
D2 |
C |
F |
N-ΦB |
|
DN50 |
120 |
50 |
155 |
120 |
96 |
16 |
2 |
4-Φ19 |
|
DN65 |
130 |
63 |
175 |
140 |
116 |
18 |
2 |
4-Φ19 |
|
DN80 |
150 |
80 |
185 |
150 |
126 |
18 |
2 |
8-Φ19 |
|
DN100 |
165 |
100 |
210 |
175 |
151 |
18 |
2 |
8-Φ19 |
|
DN125 |
190 |
124 |
250 |
210 |
182 |
20 |
2 |
8-Φ23 |
|
DN150 |
210 |
148 |
280 |
240 |
212 |
22 |
2 |
8-Φ23 |
|
DN200 |
255 |
198 |
330 |
290 |
262 |
22 |
2 |
12-Φ23 |
|
DN250 |
310 |
248 |
400 |
355 |
324 |
24 |
2 |
12-Φ25 |
|
DN300 |
320 |
297 |
445 |
400 |
368 |
24 |
3 |
16-Φ25 |












