保溫球閥/船用閥
產品結構
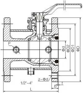
保溫球閥主要外形尺寸
|
公稱通徑 |
L |
P |
公稱壓力 |
D |
D1 |
D2 |
B |
F |
Z-ΦD |
公稱壓力 |
D |
D1 |
D2 |
B |
F |
Z-ΦD |
|
15 |
90 |
Rp3/8 |
PN16 |
105 |
75 |
55 |
14 |
2 |
4-M12 |
150LB |
100 |
69.9 |
42.9 |
17.9 |
2 |
4-1/2 |
|
20 |
105 |
Rp3/8 |
115 |
85 |
65 |
14 |
2 |
4-M12 |
110 |
79.4 |
50.8 |
17.9 |
2 |
4-1/2 |
||
|
25 |
110 |
Rp3/8 |
135 |
100 |
78 |
16 |
2 |
4-M16 |
115 |
88.9 |
63.5 |
19.5 |
2 |
4-1/2 |
||
|
32 |
125 |
Rp1/2 |
145 |
110 |
85 |
16 |
3 |
4-M16 |
125 |
98.4 |
73 |
22.7 |
2 |
4-1/2 |
||
|
40 |
136 |
Rp1/2 |
160 |
125 |
100 |
16 |
3 |
4-M16 |
150 |
120.7 |
92.1 |
24.3 |
2 |
4-3/4 |
||
|
50 |
155 |
Rp1/2 |
180 |
145 |
120 |
18 |
3 |
4-M16 |
180 |
139.7 |
104.8 |
24.3 |
2 |
4-3/4 |
||
|
65 |
170 |
Rp1/2 |
195 |
160 |
135 |
20 |
3 |
8-M16 |
190 |
157.4 |
127 |
24.3 |
2 |
4-3/4 |
||
|
80 |
180 |
Rp1/2 |
215 |
180 |
155 |
20 |
3 |
8-M16 |
230 |
190.5 |
157.2 |
24.3 |
2 |
8-3/4 |
||
|
100 |
190 |
Rp1/2 |
245 |
210 |
185 |
22 |
3 |
8-M16 |
255 |
215.9 |
185.7 |
25.9 |
2 |
8-7/8 |
||
|
125 |
356 |
Rp1/2 |
285 |
240 |
210 |
22 |
2 |
8-Φ22 |
280 |
241.3 |
215.9 |
29 |
2 |
8-Φ22 |
||
|
150 |
394 |
Rp1/2 |
340 |
295 |
265 |
24 |
2 |
12-Φ22 |
345 |
298.5 |
269.9 |
29 |
2 |
12-Φ22 |
||
|
200 |
457 |
Rp1/2 |
405 |
355 |
320 |
26 |
2 |
12-Φ26 |
405 |
362 |
323.8 |
30.6 |
2 |
12-Φ25 |









